
數據中心本質上是數學和邏輯的組合,分析模塊化數據中心的顆粒度可以歸納演繹出其典型模型,本文介紹一些大型互聯網數據中心的典型案例,正是為了做此方面的分析。
大型互聯網公司數據中心建筑布局

圖一 谷歌數據中心俯視圖
圖一是谷歌數據中心的典型布局,從空中俯視看到的龐大體量和氤氳升騰的水汽,讓人立馬聯想到現代化的超級信息處理工廠,或在海上全力巡航的超級信息航母。谷歌的數據中心建筑結構極其精簡,主體機房為寬而矮的單層倉儲式廠房建筑結構,船體的中后兩艙為兩個長寬形主體機房模塊,船頭為機房配套的功能區域(如安保辦公、拆包卸貨、備品備件間等);船體左側為模塊化變配電及柴發區域,船體右側是模塊化制冷及散熱儲水區域,水電分區,左右兩翼像巡洋艦和護衛艦等保障航空母艦的穩定安全運行。

圖二 谷歌數據中心平圖布局圖
圖二為其主平面布局圖。北側為水,南側為電,中間為機房模塊,約2萬平米的中間主機房區可以支持約8到10萬臺服務器,左右兩側為網絡間以及辦公支持區。白地板區域分為南北共四個大機房房間,每個房間可以支持約2萬到2.5萬臺服務器,每個機房模塊內約30縱列,每列約25到30個IT機柜,每個大房間可以部署約750到900個機柜,約1萬KVA的電力,整個建筑約4萬KVA總用電。

圖三 facebook模塊化機房俯視圖
圖三是facebook在瑞典的模塊化數據中心效果圖,該建筑也是倉儲式大廠房結構,左右兩棟數據中心大樓內共建設了1#-4#四個大房間的數據中心模塊,兩棟建筑之間有一個專用制冷機房,在建筑的兩側也部署了室外集裝箱柴發。此外,在數據中心建筑隔壁,還設有一個用于辦公的其它功能的建筑。

圖四 facebook數據中心平面布局圖
圖四類似這個數據中心的平面布局(冷機和配電位置稍有變化,但主體框架模塊沒變),同樣左右兩側共四個大機房模塊,A/B區南北各兩個,大房間的南北兩側為AHU模塊,同樣和冷熱通道一一對應;兩個建筑大房間之間為電力模塊,以及制冷模塊,同樣是模塊化的設計。每個AHU對應各自的一個通道,約60個機柜,平均每個IT機柜功率約為8-10KW,因此每個AHU的制冷量約為500-600KW.中間北側為電力模塊房間,四個房間共6套IT電力模塊,以及1套備份模塊、1套冷機等負載配單模塊;中間南側為制冷泵房,共9個制冷模塊,按8用1備計算,每個房間均攤約2個制冷模塊。
每個大機房房間同樣可支持約2萬到2.5萬臺規模服務器,每個房間內部署了約4*13*15個機柜,共約780個機柜,并支持擴展到900個,同樣約1萬KVA的電力,整個建筑約4萬KVA總用電,共支持約8到10萬臺的服務器。

圖五 facebook數據中心布局二
圖五是facebook另外一個長條形數據中心的俯視圖,該建筑從左到右共有四個大機房模塊,每個機房模塊有獨立的4臺室外型集裝箱柴發,屋頂是其自然冷空調系統,緊貼數據中心建筑的上側有辦公用房。

圖六 Open datacenter的模型布局
這種長條形布局下,機房內部如圖六Open datacenter的數據中心機房模型,每個大機房模塊共12*6*11=792個機柜,整個數據中心建筑共有12到14臺柴發,兩個蓄冷罐,支撐四個大機房模塊使用。

圖七 Switch公司的supernap 7數據中心布局
圖七是Switch公司的super nap 7數據中心俯視圖,類似的,整個數據中心建筑由四個大機房模塊構成,每個機房模塊約10MVA的供電容量,由6臺(5+1)2000KW的柴發做掉電備份,9套1200KVA的UPS,三角形DR方式2N供電。同樣的,每個大機房模塊有44個R18的微模塊構成,總計約792個IT機柜,平均單功率約為9KW;9個(8+1)AHU空調模塊,每個AHU模塊標稱具有1000KW的散熱能力。

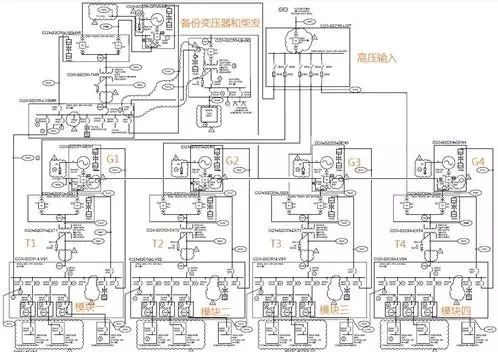
圖八 典型互聯網數據中心供電架構圖
從谷歌、facebook和super nap等數據中心的典型模型上看,大型互聯網數據中心大多是模塊化設計,基本整個園區規劃有兩到三棟大型數據中心建筑,總共用電80到120MVA,由132KV變電站供電。每棟數據中心建筑用電量則高達40MVA,數據中心建筑內有4個大機房模塊,每個機房模塊約2-2.5萬臺服務器,典型的單模塊機柜數量為750-1000個機柜,每棟數據中心建筑約有8-10萬臺的服務器,總機柜數量為3000到4000個機柜。大型互聯網數據中心基本多為倉儲式單層建筑結構,建筑內的典型四個大機房模塊有長條型并排布局,也有南北向田字型布局,模塊化的電力和空調模塊就近擺放。
大型互聯網公司數據中心的電氣
為什么大型互聯網數據中心都有相似的特征,這背后有何邏輯呢?
其實數據中心的一些邊界條件基本限制了數據中心的典型模型,比如一條中壓外線(美國為13.2KV,歐洲中國約為10KV)的電力容量約為10MVA-12MVA,典型的變壓器容量約為1600KVA、2000KVA、2500KVA、3000KVA、3150KVA等有限檔位,母排和斷路器容典型量約1600A、2000A、3200A、4000A、50000A、6300A等有限檔位,還有冷機的冷量、UPS的容量等都是類似的有限檔位,因此數據中心規劃設計需要兼顧到這些產業鏈,并滿足公路運輸條件,以及操作人員可以忍受的連續工作最高溫度等,根據不同系統的合適顆粒度,選擇最佳性價比的典型模型。
通常電力是數據中心內較為寶貴的資源,所以數據中心設計通常會把一條外線的容量盡量用滿,即一個機房模塊通常會用滿10到12MVA的外電容量,圖八是個典型的互聯網公司數據中心供電架構圖,單路市電供電,高壓柴發備份。

圖九 典型數據中心2N供電高可靠設計的模型
我們可以根據一條13.2KV外線約12MVA的容量來推算該機房模塊的模型,配置了4臺2500KW左右的高壓柴發,4臺3000KVA的變壓器,額外有1臺2500KW的柴發和3000KVA的變壓器作為四個房間的冗余備份,剛好用滿電力容量,因此數據中心大機房模塊內通常也規劃有4個小房間的模塊。
前面是針對互聯網數據中心內單路市電+柴發的供電架構,如果對于部分雙路10KV外電的高可靠2N供電架構,實際上也是類似處理方法,將10MVA的外電,分攤到4個IT房間,每個房間約2個2000KVA的變壓器,剩余一對2000KVA的變壓器給到制冷房間用于冷機制冷等。當然也可以按三個IT房間來規劃,這種布局下每個房間配置2個2500KVA的變壓器,剩余一對2500KVA的變壓器給到冷機和其他動力設備。

圖十 典型數據中心2N供電高可靠設計的布局
在建筑布局上,同樣采用模塊化的布局,如圖十的典型數據中心建筑內有左右兩個大機房模塊,每個大機房模塊內的一對10KV外線帶有四個IT房間,每個房間由一對2000KVA的變壓器來承擔,每個房間按IT機柜功率來部署,大約有200到250個的IT機柜(由IT機柜平均功率決定)。同樣配套的模塊化電力和空調就近擺放,按需建設實現變成長邊投資,為未來的技術升級提供條件。

圖十一 谷歌數據中心的模塊化空調系統
綜上,典型的互聯網數據中心機房模塊內,也同樣因為電力容量限制,以及設備顆粒度的不連續性,加上產業鏈生態等會有最佳模型。典型的模塊化數據中心由2個高壓模塊(或者單N的1條外線)、8到10個低壓變配電模塊(或者單N的4到5個低壓模塊)、3到4個IT房間(每個機房模塊配置2500KVA或者2000KVA的變壓器)的典型模型。每個模塊化數據中心約750到1000個IT機柜,每個IT房間約200到250個IT機柜。動力設備方面基本多為3到4臺800到1100冷噸的冷機,以及4到6臺1800KW到2500KW的柴發等。
大型互聯網公司數據中心空調模塊
相對而言,大型互聯網數據中心的制冷系統的標準化較差,這主要由不同地區的制冷方式差異導致。比如熱帶地區采用的集中式冷機制冷,和涼爽地區分散式AHU模塊制冷就會有很大的差異。但從前面分析的數據中心模型上看,大型互聯網數據中心的空調系統也呈模塊化方式在建設。如圖十一所示的谷歌數據中心,綜前所述,一棟40MVA的數據中心建筑,由四個大機房模塊構成,每個機房模塊約10MVA的用電。整個數據中心建筑左側有15套空調系統,因此每個機房模塊分攤到3套空調系統,剩余3套空調給四個機房模塊做冗余備份,以及其他辦公和環境負荷等,每套空調系統約有1000到1200冷噸。

圖十二 SuperNAP數據中心的模塊化空調系統
而如圖十二的Super nap數據中心則采用了模塊化AHU散熱方式,每個10MVA的大機房模塊配置了9個AHU模塊,每個AHU模塊的散熱能力達到了1000KW,8用1備,該AHU支持六種不同的冷卻方式,并在AHU內部加裝了小飛輪UPS,保障AHU模塊供冷的持續性,也是非常經典的模塊化空調設計實現。
前面簡單介紹了兩個大型互聯網公司模塊化空調系統的應用案例。地區不同,制冷方式不同,模塊化空調系統呈現出較大的差異性,顆粒度也有較大的差異,但不管是冷機還是AHU或其它不同方式,也基本分為3到4套系統,每個系統由不同數量的更小單元末端組成(可能是模塊化AHU,也可能是小風墻等)。
“大道至簡,悟者天成”。大型互聯網數據中心典型模型模塊精簡、功能分區清晰、顆粒度合理。在我們從這些先行者的實踐經驗中悟出真理后,剩下的就是要考慮如何去躬行。一旦做到知行合一,就沒有攀不上的高峰。
上一篇: 運用大數據 助力反腐敗
下一篇:2016年云計算趨勢預測和觀察